什么是 JLM型電磁隔膜計量泵
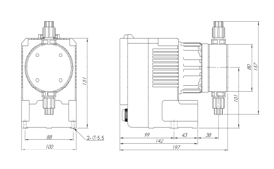
虹興牌JLM型電磁隔膜計量泵,是由電機驅動的機械隔膜式計量泵,適用于底壓力場合的流體計量,有多種材質泵頭可選,膜片統一采用多層復合PTFE材質。因其具有很高的計量精度和穩定性能,而廣泛應用于污水處理,食品劑添加,各種特殊介質的輸送。 計量范圍:0-30L/H 壓力范圍:0-0.5MPa 驅動方式:電機驅動 控制方式:手動、自動控制
虹興牌JLM型電磁隔膜計量泵,是由電機驅動的機械隔膜式計量泵,適用于底壓力場合的流體計量,有多種材質泵頭可選,膜片統一采用多層復合PTFE材質。因其具有很高的計量精度和穩定性能,而廣泛應用于污水處理,食品劑添加,各種特殊介質的輸送。 計量范圍:0-30L/H 壓力范圍:0-0.5MPa 驅動方式:電機驅動 控制方式:手動、自動控制
虹興牌JMW系列產品,是由電機驅動的機械隔膜式計量泵,適用于底壓力場合的流體計量,有多種材質泵頭可選,膜片統一采用多層復合PTFE材質。因其具有很高的計量精度和穩定性能,而廣泛應用于污水處理,食品劑添加,各種特殊介質的輸送。 計量范圍:0-30L/H 壓力范圍:0-0.5MPa 驅動方式:電機驅動 控制方式:手動、自動控制
|
泵頭部位材料 |
工作條件 |
|
計量泵頭: 聚氯乙烯、SUS304、SUS316、聚四氟乙烯 |
環境溫度: |
|
計量閥: 聚氯乙烯、SUS304、SUS316、聚四氟乙烯 |
電機: 二相 三相 |
|
閥球: 二氧化硅、SUS304、SUS316、陶瓷 |
功率:25W 80W |
|
密封: 聚四氟乙烯、聚氯乙烯 |
防護等級:IP54 |


上一條: GM型隔膜式計量泵