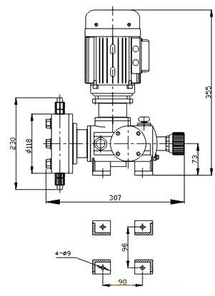
什么是 KD型隔膜式計量泵
虹興牌KD系列產品,是由電機驅動的機械隔膜式計量泵,適用于底壓力場合的流體計量,有多種材質泵頭可選,膜片統一采用多層復合PTFE材質。因其具有很高的計量精度和穩定性能的使用工求,而廣泛應用于污水處理,食品劑添加,各種特殊介質的輸送。
可調計量范圍:0-120L/H
較大壓力范圍:0-1.0MPa
驅動方式:電機驅動
控制方式:手動、自動控制(可接收4-20mA信號來調節流量)
|
泵頭部位材料 |
工作條件 |
|
計量泵頭: 聚氯乙烯、SUS304、SUS316、聚四氟乙烯 |
環境溫度: |
|
計量閥: 聚氯乙烯、SUS304、SUS316、聚四氟乙烯 |
電機: 二相、三相標準電機或防爆電機 |
|
閥球: 二氧化硅、SUS304、SUS316、陶瓷 |
功率:0.18KW |
|
密封: 聚四氟乙烯、聚氯乙烯 |
防護等級:IP54 |
KD系列精密計量泵機械隔膜式計量泵主要是往復式計量泵、按泵的缸數可分為單缸、雙缸、三缸等多種類型。該泵可廣泛用于石油、化工、紡織、食品、造紙、原子能技術、電廠、塑料、制藥、水廠、環保等工業和科技部門。用來向加壓或常壓容器及管道內精確定量輸送不含固體顆粒的液體。其流量可以開機(或定機)時從0-100%范圍內無級調節。(根據計量泵的特性,較少行程一般不小于總行程的10%)單缸泵適用于單一液體的場合;雙缸泵可作比例泵使用,也可并聯使用;三缸泵可作為三比例泵使用,也可三缸并聯,以達到較大排量,增高了液體的脈沖頻率,促使液體連續順暢加入;六缸泵可達三缸泵二倍效果。
該型泵可輸送溫度-30℃—100℃,粘度為0.3—800mm2/s不含固體顆粒等腐蝕性或非腐蝕性液體介質。
不同型號的計量泵均可根據用要求裝配變頻電機(能接收4-20mA電流信號)或防爆電機。
泵的型號規格及參數請參考本公司的產品樣本。
|
型 號 |
流量 |
壓力 (MPa) |
沖次(MIN-1) |
進出口徑 |
重量 (KG) |
|
KD-20/1.0 |
20 |
0.8 |
48 |
Φ6、Φ8軟管含過濾底閥及注射閥 |
8 |
|
KD-40/0.8 |
40 |
0.6 |
72 |
||
|
KD-60/0.7 |
60 |
0.6 |
72 |
DN15 |
|
|
KD-80/0.6 |
80 |
0.4 |
96 |
DN15 |
|
|
KD-100/0.5 |
100 |
0.4 |
96 |
DN15 |
|
|
KD-120/0.5 |
120 |
0.4 |
96 |
DN15 |

上一條: JMX型隔膜式計量泵
下一條: GB型隔膜式計量泵